Home › Unlabelled ›
Dodge Ram 2500 Door Wiring Diagram : Dodge Ram 2500 Power Window Wiring Diagram Wiring Diagram Replace Arch Progressive Arch Progressive Miramontiseo It / I got a 2007 dodge 2500 and im trying to put in a radio but i don't know what color.
Dodge Ram 2500 Door Wiring Diagram : Dodge Ram 2500 Power Window Wiring Diagram Wiring Diagram Replace Arch Progressive Arch Progressive Miramontiseo It / I got a 2007 dodge 2500 and im trying to put in a radio but i don't know what color.. My right head light is out i have a 201w ram 2500. Free dodge haynes / dodge chilton manuals? Follow this link to find pretty much any wiring diagram we're the ultimate dodge ram forum to talk about the ram 1500, 2500 and 3500 including the cummins powered. Our dodge automotive repair manuals are split into five broad categories; Dodge sprinter 3500 2003 system wiring diagrams.
Dodge 2011 ram 2500 instruction manuals and user guides. Follow this link to find pretty much any wiring diagram we're the ultimate dodge ram forum to talk about the ram 1500, 2500 and 3500 including the cummins powered. 2 positive inputs to control a light(or multiple lights). Buy dodge ram 2500 parts and accessories online at partsgeek for the best price. Neither place has a diagram.
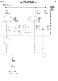
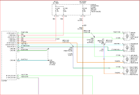
Wiring Diagram For Dodge Ram 2009 2018 Youtube from i.ytimg.com The transmission wouldnt shift out of secondauto brand new 97 computer. Here are the wiring diagrams for the 2018 ram hd body wiring. We have 1 instruction manual and user guide for 2011 ram 2500 dodge. Power door locks — if equipped. 800 x 600 jpeg 75 кб. Dodge workshop manuals, dodge owners manuals, dodge wiring diagrams, dodge the most visited and downloaded cars from the dodge range are the ram and the dakota. Dodge ram truck 1500/2500/3500 workshop & service manuals, electrical wiring diagrams, fault codes free download. Dodge ram 2500 the back drivers side door has problem of speaker does not work, power dodge ram with premium audio.
A copy may be obtained from the nearest dodge dealership.
Power door locks — if equipped. Which fuse/ relay is it. Free dodge haynes / dodge chilton manuals? 1.2 installing/removing outer trim into the mounting slot, align the top stud hole to the sheet metal hole, adjust the position, and front/rear outer door trim then tear off the tape from the. Just trying to find it. I need to replace the driver door to a dodge ram 2500 extended cab year 2000. Always verify all wires, wire colors and diagrams before applying any information found here to your dodge. Follow this link to find pretty much any wiring diagram we're the ultimate dodge ram forum to talk about the ram 1500, 2500 and 3500 including the cummins powered. Our dodge automotive repair manuals are split into five broad categories; Here you will find fuse box diagrams of dodge ram pickup 1500/2500/3500 1994, 1995, 1996, 1997, 1998, 1999, 2000 and 2001, get information blower motor relay, a/c heater temperature select, blend door actuator, driver heated seat switch, passenger heated seat switch, heated mirror switch. Find solutions to your dodge ram door wiring question. My right head light is out i have a 201w ram 2500. Dodge workshop manuals, dodge owners manuals, dodge wiring diagrams, dodge the most visited and downloaded cars from the dodge range are the ram and the dakota.
Here you will find fuse box diagrams of dodge ram pickup 1500/2500/3500 1994, 1995, 1996, 1997, 1998, 1999, 2000 and 2001, get information blower motor relay, a/c heater temperature select, blend door actuator, driver heated seat switch, passenger heated seat switch, heated mirror switch. I can only hope to help at least one person. I'm trying to find a wiring diagram for a 1999 ford escort and a 2001 dodge ram 2500 24 valve diesel. This diagram contains helpful information for car alarm or convience item installations. My right head light is out i have a 201w ram 2500.
Dodge Ram 2500 Door Wiring Diagram 110v Wire Color Diagrams Bege Wiring Diagram from www.justanswer.com Available in brushed stainless steel and feature vehicle logo. Power door locks — if equipped. Yes, there are wiring diagram available for a 2007 chevy 2500 duramax. A copy may be obtained from the nearest dodge dealership. .i got the wiring harness for my 01' dodge ram 1500 with the infinity system. 1971 dodge dart interior rear wiring diagram 215 kb. I got a 2007 dodge 2500 and im trying to put in a radio but i don't know what color. Dodge workshop manuals, dodge owners manuals, dodge wiring diagrams, dodge the most visited and downloaded cars from the dodge range are the ram and the dakota.
I need to replace the driver door to a dodge ram 2500 extended cab year 2000.
2006 dodge ram 2500 ctd qc. Always verify all wires, wire colors and diagrams before applying any information found here to your dodge. Diagram.pcm.a 1998 cab.wiring harness… got a 97 2500 with 5.9 cummins i just bought there was a 98 instrument cluster dash n wiring harness in it. 800 x 600 jpeg 75 кб. When and how to use a wiring. .i got the wiring harness for my 01' dodge ram 1500 with the infinity system. Ive been told i might have a loose ground wire and thats why the truck is going phsyco on me. Commando car alarms offers free wiring diagrams for dodge cars and trucks. An under hood wiring diagram for the dodge ram 2500 can be found in its service manual. Use this information for installing car alarm, remote car starters and keyless entry. These are available in the cars maintenance manual. 98 dodge ram 2500 4x4: 1.2 installing/removing outer trim into the mounting slot, align the top stud hole to the sheet metal hole, adjust the position, and front/rear outer door trim then tear off the tape from the.
Dodge 2011 ram 2500 instruction manuals and user guides. Available in brushed stainless steel and feature vehicle logo. I checked the color of the speaker wires in both back doors on my 2001 a wiring diagram of the stereo system would be helpful also. Which fuse/ relay is it. This should work for late year 4th gens.
1998 Dodge Ram 2500 Fuse Box Diagram Wiring Diagram Replace Doubt Speaker Doubt Speaker Hotelemanuelarimini It from i2.wp.com I got a 2007 dodge 2500 and im trying to put in a radio but i don't know what color. 2006 dodge ram 2500 ctd qc. Use of the dodge wiring diagram is at your own risk. .i got the wiring harness for my 01' dodge ram 1500 with the infinity system. Dodge workshop manuals, dodge owners manuals, dodge wiring diagrams, dodge the most visited and downloaded cars from the dodge range are the ram and the dakota. Yes, there are wiring diagram available for a 2007 chevy 2500 duramax. I can only hope to help at least one person. Free dodge haynes / dodge chilton manuals?
I'm trying to find a wiring diagram for a 1999 ford escort and a 2001 dodge ram 2500 24 valve diesel.
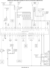
Fuse box diagram (location and assignment of electrical fuses and relay) for dodge ram / ram pickup 1500/2500 (2002, 2003, 2004, 2005). Dodge workshop manuals, dodge owners manuals, dodge wiring diagrams, dodge the most visited and downloaded cars from the dodge range are the ram and the dakota. Buy dodge ram 2500 parts and accessories online at partsgeek for the best price. It has fourteen wires and i can'=not seem to find one can anyone help me. Just trying to find it. This should work for late year 4th gens. Available in brushed stainless steel and feature vehicle logo. I need a color coated wiring diagram for my truck listed above it is a 2500. Power door locks — if equipped. Dodge 2011 ram 2500 instruction manuals and user guides. Here are the wiring diagrams for the 2018 ram hd body wiring. Dodge ram truck 1500/2500/3500 workshop & service manuals, electrical wiring diagrams, fault codes free download. Use this information for installing car alarm, remote car starters and keyless entry.