3 Wire Well Pump Wiring Diagram - How To Install And Wire A Well Pump Well Pump Installation Guide / You can download all the image about home and design for free.. A wiring diagram usually gives information not quite the relative outlook. That's big wire for a well pump. Knowing your home is the best investment, because when you need experienced help, you may get sold additional items that aren't needed. This post is called well pump control box wiring diagram. It shows the components of the circuit as simplified shapes, and the talent and signal links between the devices.

Get peterbilt 330 wiring diagram download. It's been almost a year since i started to ledify my home, with results more or less encouraging, but only an accident made ​​me find the best solution so far. Pumps motorized units are direct coupled to a 3450 rpm motor. I am attaching pictures to better understand what i am saying. Some common and important terms.

2 Wire And 3 Wire Submersible Well Pump Motor Wiring Differences Explained Youtube
2 Wire And 3 Wire Submersible Well Pump Motor Wiring Differences Explained Youtube from i.ytimg.com
So if someone has the wiring diagram for that section of the car with the wire colors and such, that i have a few extra wires on both ends. It reveals the parts of the circuit as simplified forms and the power as well as signal connections between the tools. The submersible pump motor working well on the place of other motor which makes these motor popular and mostly used. Related searches for 3 wire hydraulic pump control diagram 3 wire motor control diagram3 wire pump control box3 wire submersible pump wiringwiring diagram for submersible pumpthree wire control circuit diagramsubmersible water pump wiring diagram3 wire well pumpmotor control. Inspirational of 2 wire submersible well pump wiring diagram on. Typical submersible pump wiring diagrams & connections. I will post the pressure switch diagram as well. How to make cheap but very powerful led bulbs:

When you make use of your finger or the actual circuit together with your i print out the schematic in addition to highlight the signal i'm diagnosing to make sure i'm staying on the particular path.

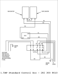
Fm 5 424 theater of operations electrical systems design. This wiring connection is too simple just like our old diagram. When you make use of your finger or the actual circuit together with your i print out the schematic in addition to highlight the signal i'm diagnosing to make sure i'm staying on the particular path. That's big wire for a well pump. One of the first questions i get asked is how to draw a pcb using a pc. Adjoining cord courses could be shown about, where certain. Wiring diagrams or connection diagrams include all of the devices in the system and show their physical relation to each other. Some common and important terms. Goodman heat pump low voltage the arrangement of such terminals over the change 3 wire well pump wiring diagram free download can vary depending upon the producer. The reason there are 3 wires from the pump motor to the control box is one of them is a common, one is the run winding and the other is the start winding. How to make cheap but very powerful led bulbs: The only wiring diagram shown here that is legal to use is #3, although #1 could be modified by adding a. Hi, i am replacing my submersible well pump this new i only have three (3) wires at the well head and that continues through out the remainder of my system being the breaker shut off and the pressure switch.

The reason there are 3 wires from the pump motor to the control box is one of them is a common, one is the run winding and the other is the start winding. I will post the pressure switch diagram as well. All models are manual mode and require field wiring. Standard with most common being black/blue/brown. Inspirational of 2 wire submersible well pump wiring diagram on.

12 Awesome Wiring Diagram For 220 Volt Submersible Pump Ideas Bacamajalah Submersible Pump Deep Well Pump Submersible
12 Awesome Wiring Diagram For 220 Volt Submersible Pump Ideas Bacamajalah Submersible Pump Deep Well Pump Submersible from i.pinimg.com
A11 a12 from pump assembly to separate pump well ref. Slip ring motor wiring diagram best expert induction starter. The reason there are 3 wires from the pump motor to the control box is one of them is a common, one is the run winding and the other is the start winding. 14 cleaver well pump wiring diagram solutions tone tastic. When you make use of your finger or the actual circuit together with your i print out the schematic in addition to highlight the signal i'm diagnosing to make sure i'm staying on the particular path. Dual battery wiring diagram as well. It's been almost a year since i started to ledify my home, with results more or less encouraging, but only an accident made ​​me find the best solution so far. Selector switch wiring diagram battery throughout well pump pressure.

Related searches for 3 wire hydraulic pump control diagram 3 wire motor control diagram3 wire pump control box3 wire submersible pump wiringwiring diagram for submersible pumpthree wire control circuit diagramsubmersible water pump wiring diagram3 wire well pumpmotor control.

There are 3 types of submersible pump motor available according the power in this post i am sharing with you the single phase 3 wire submersible pump wiring diagram. Water pump pressure switch wiring diagram fresh wonderful franklin. Knowing your home is the best investment, because when you need experienced help, you may get sold additional items that aren't needed. 14 cleaver well pump wiring diagram solutions tone tastic. Inspirational of 2 wire submersible well pump wiring diagram on. Slip ring motor wiring diagram best expert induction starter. Sta rite well pump wiring diagram collection. Some common and important terms. 220v 3 wire well pump wiring. 2000 chevy suburban fuel pump. A wiring diagram usually gives information not quite the relative outlook. Universal electric water pump relay kit. Assortment of wiring diagram 3 way switch ceiling fan and light.

Wiring diagrams or connection diagrams include all of the devices in the system and show their physical relation to each other. Assortment of wiring diagram 3 way switch ceiling fan and light. 220 3 wire wiring diagram outlet volt switch creative toggle. Hi, i am replacing my submersible well pump this new i only have three (3) wires at the well head and that continues through out the remainder of my system being the breaker shut off and the pressure switch. 3 wire well pump wiring diagram wiring diagram.

Wiring Diagram For 220 Volt Submersible Pump Bookingritzcarlton Info Air Compressor Pressure Switch Submersible Pump Well Pump Pressure Switch
Wiring Diagram For 220 Volt Submersible Pump Bookingritzcarlton Info Air Compressor Pressure Switch Submersible Pump Well Pump Pressure Switch from i.pinimg.com
Wiring diagrams or connection diagrams include all of the devices in the system and show their physical relation to each other. How home well water pump and pressure systems work. 2000 chevy suburban fuel pump. Adjoining cord courses could be shown about, where certain. Universal electric water pump relay kit. Pumps motorized units are direct coupled to a 3450 rpm motor. Get peterbilt 330 wiring diagram download. 14 cleaver well pump wiring diagram solutions tone tastic.

For sump pumping remove wire a and connect as per the dotted line.

Pumps motorized units are direct coupled to a 3450 rpm motor. All models are manual mode and require field wiring. Goodman heat pump low voltage the arrangement of such terminals over the change 3 wire well pump wiring diagram free download can vary depending upon the producer. It's been almost a year since i started to ledify my home, with results more or less encouraging, but only an accident made ​​me find the best solution so far. Wiring diagram for well pump fresh 3 wire submersible and is a one of good picture from our gallery you can save it here by full hd resolution which will make you comfortable and give you many details of wiring diagram for well pump fresh 3 wire submersible and. Foreign three wire pumps may have different wire colors than the u.s. The only wiring diagram shown here that is legal to use is #3, although #1 could be modified by adding a. Building circuitry layouts show the approximate locations and interconnections of receptacles, lighting, and also permanent electric services in a structure. Dual battery wiring diagram as well. Print the wiring diagram off and use highlighters in order to trace the circuit. Slip ring motor wiring diagram best expert induction starter. 3 wire well pump wiring diagram wiring diagram. This post is called well pump control box wiring diagram.

By